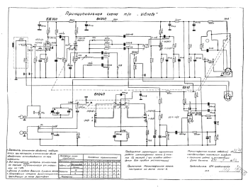
Магнитола “Minija-4” представляет собой восьмиламповый супергетеродинный приемник первого класса с двухскоростной магнитофонной панелью “Vilnele”. Магнитола предназначена для приема радиовещательных станций, работающих в диапазонах длинных, средних и коротких волн с амплитудной модуляцией и в диапазоне ультракоротких волн с частотной модуляцией, а также для записи, и воспроизведения звука (речи и музыки с микрофона, собственного радиоприемника, проигрывателя со звукоснимателем, телевизора и радиотрансляционной линии).

Информация о документе

Формат документа
PDF, DJVU
Кол-во страниц
18 страниц
Загрузил(а)
Лицензия
Доступ
Всем

Информация о книге

Год публикации
1968
Автор(ы)
Техническая документация
Ключевые фразы
магнитола

Статистика просмотров

Статистика просмотров книги за 2025 год.