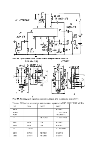
Книга: Самодельные электронные устройства в быту

Приведены принципиальные схемы разнообразных радиолюбительских конструкций: электронных звонков, замков, включателей, охранных устройств для детской комнаты, приспособлений для осветительных приборов и прочее. В тексте книги и в приложении даны рекомендации по замене иностранных полупроводниковых приборов отечественными. Для широкого круга радиолюбителей и специалистов.

Информация о документе

Формат документа
PDF, DJVU
Кол-во страниц
102 страницы
Загрузил(а)
Лицензия
Доступ
Всем

Информация о книге

Год публикации
1984
Автор(ы)
Шленциг Клаус, Штаммлер Вольфганг

Статистика просмотров

Статистика просмотров книги за 2025 год.